Rubber flapper check valve is the perfect combination of simplicity, function and design. Developed as a versatile and cost-effective solution to flow reversal, the RF series is based on a low maintenance concept. Its standard ductile iron body and steel-rein-forced Buna-N rubber flapper are produced under the same rigid quality requirements. The 45 degree seat angle also provides a smaller stroke than conventional swing check valves, reducing slamming.

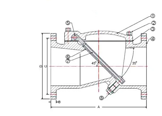
Rubber flapper check valve material list
| NO. | Name | Material |
| 1 | Cover | ASTMA536 65-45-12 |
| 2 | Exterior hardware | SS304 |
| 3 | Cover seal | NBR |
| 4 | Body | ASTMA536 65-45-12 |
| 5 | Pin | ASTMA536 65-45-12 |
| 6 | Disc encapsulation | NBR |
| 7 | Disc | ASTMA536 65-45-12 |
| 8 | Acc.Mount plate | SS304 |
4''-30'' Rubber flapper check valve dimension data
| NPS | DIN | A | B | C | Bolt count | Bolt hole | D |
| 4 | 100 | 11.5 | 0.94 | 7.50 | 8 | 0.75 | 9.1 |
| 6 | 150 | 15.0 | 1.00 | 9.50 | 8 | 0.875 | 11.0 |
| 5 | 200 | 19.5 | 1.13 | 11.75 | 8 | 0.875 | 13.6 |
| 10 | 250 | 24.5 | 1.18 | 14.25 | 12 | 1 | 15.9 |
| 12 | 300 | 27.5 | 1.25 | 17.00 | 12 | 1 | 19.1 |
| 14 | 350 | 31.0 | 1.28 | 18.75 | 12 | 1.125 | 21.1 |
| 16 | 400 | 34.0 | 1.44 | 21.25 | 16 | 1.125 | 23.4 |
| 18 | 450 | 38.5 | 1.56 | 22.75 | 16 | 1.25 | 25.0 |
| 20 | 500 | 38.5 | 1.69 | 25.00 | 20 | 1.25 | 27.6 |
| 24 | 600 | 42.0 | 1.87 | 29.50 | 20 | 1.375 | 32.1 |
| 30 | 750 | 56.0 | 2.18 | 36.00 | 28 | 1.375 | 38.8 |
Jingmen Perfection Valve Co., Ltd.
- Phone: +86 0724-6064902
- Business Type: Manufacturer
- Location: China
- Main Products: valve product
- Total Employees:Less than 100 people
- Year Established:
- Export Markets:
- Total Annual Revenue:




